AUD Yatırımı

- Yenice, Çanakkale
Arapucandere Yatağı PROJESİ
Arapucandere Yatağı, tarihsel olarak yüksek metal içeriğiyle dikkat çeken bir maden sahasıdır. Bölgedeki cevherin ortalama tenör değerleri şu şekildedir:
• Kurşun (Pb): %5-9
• Çinko (Zn): %1-1,5
• Bakır (Cu): %0,3-0,7
• Gümüş (Ag): Ton başına 55 gram
Mevcut üretim planı, yıllık 20.000 ton cevher çıkarılmasını hedeflemektedir. Flotasyon fabrikasının tamamlanmasının ardından üretim kapasitesinin kademeli olarak artırılması planlanmaktadır.
Proje, uluslararası standartlara uygun olarak NI 43-101 sertifikasıyla onaylanmış rezerv raporuna sahiptir ve maden sahası 2039 yılına kadar lisanslıdır.
Arapucandere Yatağı Projesi, çevresel sürdürülebilirlik ilkesine bağlı kalarak modern madencilik teknolojileriyle işletilmeye devam etmektedir.
AUD YATAĞI, 1980'LERDEN BU YANA 1.000.000 TONDAN FAZLA CEVHER ÜRETİMİ GERÇEKLEŞTİRMİŞTİR.
KEŞİF ÇALIŞMALARI DEVAM EDİYOR
AUD Yatağı, madencilik potansiyelini artırmaya yönelik keşif çalışmalarına devam etmektedir. 2024 yılı için planlanan 5.000 metrelik sondaj programı, sahadaki kaynakların daha iyi anlaşılmasını ve geliştirilmesini amaçlamaktadır.
Bu kapsamlı sondaj programı, sahada yeni rezervlerin keşfedilmesi ve mevcut kaynakların optimize edilmesi için önemli bir adımdır. AUD Yatağı Projesi, modern sondaj teknikleri ve yenilikçi yaklaşımlarla sürdürülebilir bir şekilde geliştirilmeye devam etmektedir.
YENİ BİR FLOTASYON FABRİKASIYLA EMİSYONLARIN
AUD Yatağı Projesi, çevresel etkileri en aza indirme hedefiyle yenilikçi adımlar atmaya devam ediyor. Proje kapsamında inşa edilen yeni flotasyon fabrikası, cevherin 90 km uzaklıktaki başka bir tesise taşınma gerekliliğini ortadan kaldıracaktır.
Bu yenilik sayesinde:
- Karbon emisyonları önemli ölçüde azaltılacak,
- Daha çevreci ve verimli bir üretim süreci hayata geçirilecektir.
AUD Yatağı, çevre dostu teknolojilerle modern madencilik faaliyetlerini birleştirerek sürdürülebilir bir geleceğe katkı sağlamayı hedeflemektedir.
ÇED ONAYLI YILLIK 90.000 TON CEVHER FLOTASYON KAPASTESİ
AUD Yatağı Projesi, çevresel sürdürülebilirlik ve yüksek verimlilik hedefleri doğrultusunda, Çevresel Etki Değerlendirmesi (ÇED) onaylı flotasyon fabrikasıyla faaliyetlerine devam etmektedir.
Yeni fabrika, yıllık 90.000 ton cevher flotasyon kapasitesine sahiptir ve modern madencilik standartlarına uygun olarak tasarlanmıştır. Bu tesis sayesinde:
- Cevher işleme süreci optimize edilerek daha yüksek verimlilik sağlanacaktır.
- Çevre dostu bir yaklaşım benimsenerek, sürdürülebilir madencilik faaliyetlerine katkıda bulunulacaktır.
AUD Yatağı, hem çevresel sorumluluğu hem de üretim hedeflerini bir araya getirerek, sektörde örnek bir model olmayı amaçlamaktadır.
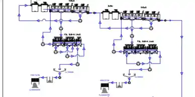
FLOTASYON SÜRECİ AKIŞ TASARIMI



KURŞUN KONSANTRESİ
AUD Yatağı Projesi tarafından üretilen kurşun konsantresi, sahip olduğu yüksek metal oranlarıyla dikkat çekmektedir. Teknik özellikler:
- Kurşun (Pb) Oranı: %77-78
- Gümüş (Ag) İçeriği: Ton başına 790 gram
Bu değerler, konsantrenin zengin metal içeriği ve endüstriyel kalitesini göstermektedir. AUD Yatağı, sürdürülebilir madencilik uygulamalarıyla üstün kaliteli hammaddeler üretmeye devam etmektedir.
ÇİNKO KONSANTRESİ
AUD Yatağı Projesi, üstün kalitesi ve zengin içeriğiyle çinko konsantresinde sektör standartlarını yeniden tanımlıyor.
- Çinko (Zn) Oranı: %40-42
Bu zengin çinko içeriği, konsantreyi endüstriyel uygulamalarda etkin bir hammadde haline getirmektedir. Çevre dostu ve modern üretim süreçleriyle elde edilen çinko konsantresi, hem yerel hem de uluslararası piyasalarda yüksek talep görmektedir.
BAKIR KONSANTRESİ
AUD Yatağı Projesi, yüksek kaliteli bakır konsantresi üretimiyle endüstriyel talepleri karşılamaktadır. Üretilen bakır konsantresinin özellikleri şu şekildedir:
- Bakır (Cu) Oranı: %32-33
Bu konsantre, yüksek bakır içeriği sayesinde endüstriyel üretim süreçlerinde etkin bir şekilde kullanılmaktadır. AUD Yatağı, modern madencilik uygulamalarıyla çevre dostu ve sürdürülebilir bir üretim yaklaşımı benimsemektedir.